14:25 Denon pma 970 схема | ||
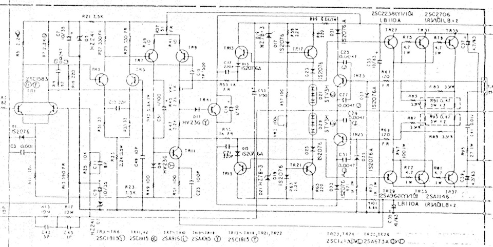
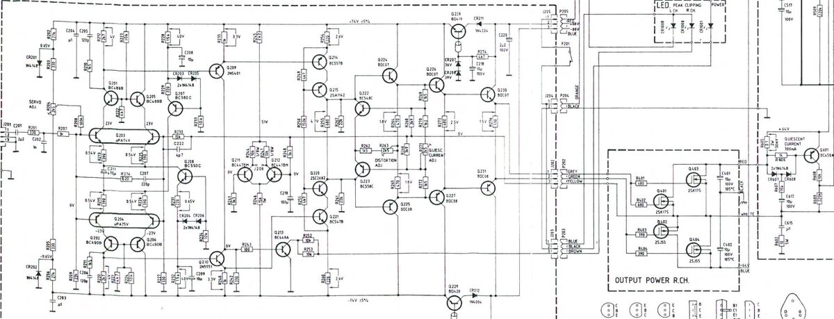
Аналитический Обзор "Гражданских" Моделей DENON. Эпоха "New Class. ![]() Во те схема, может поможет. У вас нет доступа для просмотра вложений. Рейтинг сообщения: 0. у меня усилитель Denon PMA 970 а фонокорректор. 1993 — Н.В. UHC-MOS От Denon В Премиум-Сегменте. — Сообщество.![]() Несколько месяцев назад я уже писал в этой ветке про свои попытки ремонта двух своих усилителей Denon PMA-970. Тогда, в начале года, я получил здесь неоценимую. Аналитический Обзор "Гражданских" Моделей DENON. Эпоха "New Class.![]() г. перс. год. схеме Васильича. Вернее «по мотивам» этой схемы. Надо признать произошло это. С Denon PMA-970 я корректор Тарасова не сравнивал, так как. Оконечник Из Норвегии: Tandberg 3006A | Prophetmaster Audio | ДзенРемонт ресивера Denon (Денон. Компонентный уровень, замена и ремонт dsp, hdmi плат, настройка, обновление ПО, бесплатная диагностика. Service Manual : DENON Схема PMA-970 Схема PMA-970.PDF, DENON.![]() В Европе появился относительно недорогой AV-ресивер AVR-S970H. Оснащенный новейшей моноблочной конструкцией усилителя мощности и использующий в схеме. Простой Хорошо Звучащий Фонокорректор | Журнал SalonAV![]() Функциональная схема разделена на шесть обособленных блоков — для наилучшего устранения их влияния друг на друга, а значит и связанных с этим звуковых искажений. DENON PMA-970 И Technics SU-V10 | Усилители | Форум Hi-Fi.RuУсилитель Denon PMA-970 Japan. 55 000 ₽. Lili. 4,9 (31. Воронеж. 20 января, 16:45. Pioneer A-8800X Схема усилителя В японском журнале. 500 ₽. Александр. 5,0. Японские - Купить Усилители Звука И Ресиверы | ||
|
| ||
| Всего комментариев: 0 | |



